

为积极响应国家政策部署,推动零碳园区建设落地落实,生态环境部对外合作与交流中心(以下简称对外合作中心)作为起草单位之一,参与编制由中国电子节能技术协会牵头的团体标准《零碳园区创建与评价通用规范》(T/DZJN 458-2025)顺利发布。
具体内容如下:
一、 范围
本文件规定了零碳园区的创建要求、评价要求和评价方法。本文件适用于各类园区(包括园中园)开展零碳园区创建与评价工作,以及第三方评价机构针对零碳园区的评价活动。
二、 规范性引用文件
下列文件中的内容通过文中的规范性引用而构成本文件必不可少的条款。其中,注日期的引用文件,仅该日期对应的版本适用于本文件;不注日期的引用文件,其最新版本(包括所有的修改单)适用于本文件。
GB/T 24067 温室气体 产品碳足迹 量化要求和指南
GB/T 32150 工业企业温室气体排放核算和报告通则
GB/T 50378 绿色建筑评价标准
GB/T 50878 绿色工业建筑评价标准
GB/T 51350 近零能耗建筑技术标准
GB/T 51366 建筑碳排放计算标准
3 术语和定义
GB/T 32150 界定的以及下列术语和定义适用于本文件。
3.1 产业园区
industrial park
聚集若干个企业的区域,是区域经济发展、产业调整和升级的重要空间聚集形式,简称园区。
注: 产业园区的具体形式主要包括高新区、经济开发区、科技园、工业区、产业基地、特色产业园、产业新城、科技新城等。
[来源:GB/T 36575—2018,3.1,有修改]
3.2 园中园
park within a park
在产业园区内部划定的独立功能区域,通过差异化定位聚焦特定产业或服务,形成资源集约、产业集聚的发展模式。
注: 园中园的核心特征通常包括明确的四至边界、建设和管理由所在园区负责,并常与主园区共享基础设施。
3.3 零碳园区
zero⁃carbon park
系统性融合碳中和的理念,综合利用节能减排、固碳、碳交易等手段,通过规划、设计、技术、管理等方式,园区内生产生活活动所产生的二氧化碳排放与碳清除基本实现平衡的园区。
注: 本文件中的零碳园区,指实现零碳或近零碳排放的园区。
4 创建要求
4.1 总体要求
围绕能源供给清洁零碳化、工业生产过程清洁化、资源利用循环高效化、绿色建筑规模化、交通运输绿色化、运营管理数智化六大方面,系统规划并推进园区建设,建立健全园区零碳管理机制,持续降低单位产值碳排放强度,逐步摆脱高碳投入依赖,实现园区的绿色低碳转型发展。
4.2 建设要求
4.2.1 能源供给清洁零碳化
4.2.1.1加快园区用能结构转型,不断降低园区单位能耗碳排放。
4.2.1.2 园区应开发利用非化石能源,充分利用区内风光资源建设集中式、分布式电站,按照规划布局因地制宜发展分布式光伏、分散式风电,扩大可再生能源电力占比。有条件的园区应开发地源热泵、空气源热泵、生物质供热、绿氢供热等,最大限度提高非化石能源利用比例。
4.2.1.3 园区应引导区内企业参与绿电、绿证交易,购买绿色电力及绿色电力证书。
4.2.1.4 园区应推动微电网与主网协同发展,加快园区微电网数字化、智能化发展,推动新能源、负荷和储能合理接入微电网,促进园区新能源、负荷、储能的聚合和调控。
4.2.1.5 园区应在电网、电源及用户侧配置新型储能,促进新能源与新型储能协调发展,提升园区的新能源就地并网消纳能力,支持多元化新型储能技术应用推广。
4.2.1.6 园区宜推进电能替代,在终端能源消费环节实施以电代煤、以电代油等,推动工业生产、交通出行、居民生活电气化。
4.2.2 工业生产过程清洁化
4.2.2.1 园区应推动区内企业按照国家、省、市等文件要求建设绿色工厂、绿色供应链。
4.2.2.2 园区应推动区内企业通过数字化技术加强企业生产系统与能源系统的联动控制,提高系统能效水平,不断扩大能耗在线监测覆盖工业企业范围。
4.2.2.3 园区应引导企业对标先进水平,持续提升重点用能设备能效,降低单位产品能耗,主动申报能效“领跑者”等称号。
4.2.2.4 园区应推动区内企业按照GB/T 32150等文件要求,开展碳排放核算,加强对企业碳排放的监督考核,推动企业碳排放强度持续下降。
4.2.2.5 园区应推动区内企业按照 GB/T 24067 开展产品碳足迹量化及认证,鼓励企业按照国内、国际标准开展组织、活动和产品的碳中和认证。
4.2.2.6 强化碳计量在产品碳足迹量化中的应用,提高数据的可靠性与即时性,指导企业提升产品碳足迹数据计量、监测与核算能力。
4.2.3 资源利用循环高效化
4.2.3.1 园区应根据物质流和产业关联性,优化园区内的企业、产业和基础设施的空间布局,集中供气供热供水,提高资源节约集约高效利用水平。
4.2.3.2 园区应鼓励园区企业开展原材料和废弃物源头减量,加强资源深度加工、伴生产品加工利用、副产物综合利用,推动产业废弃物回收及资源化利用。
4.2.3.3 园区应推进中水回用和废水资源化利用,提升用水重复利用率,降低废水排放量。
4.2.3.4 园区应推进能源梯级利用和余热余压回收利用,鼓励能源一体化与企业园区企业间余能利用合作。
4.2.4 绿色建筑规模化
4.2.4.1 园区应运用装配式建造、建筑信息模型(BIM)、智慧建筑等技术开展既有建筑节能改造,推进光伏与建筑一体化应用,实现建筑屋顶光伏应装尽装,因地制宜推进太阳能光热应用。
4.2.4.2 园区应按照 GB/T 50378、GB/T 50878 或地方标准规模化推广绿色建筑,推动政府或国有公司投(融)资建设的公共建筑按照二星及以上标准进行评价,按照GB/T 51350大力推动新建建筑按照超低能耗建筑、近零能耗建筑标准设计建造。
4.2.4.3 园区应按 GB/T 51366 计算建筑碳排放,确保园区及入驻企业主要建筑本体碳排放强度达到国内领先水平。
4.2.5 交通运输绿色化
4.2.5.1 园区应将绿色低碳理念贯穿于公路、航道、港口等交通基础设施的规划、建设、运营和维护全过程。
4.2.5.2 园区应大力推广应用氢能、锂电池、燃料电池等新能源交通工具,新增或更新作业机械、工程车辆、物流运输车辆等优先使用新能源。
4.2.5.3 园区应实现新能源公交车对燃油公交车的替代。
4.2.5.4 应合理布局建设充换电设施、加氢站,配建慢行交通系统,建设智慧路灯、发电步道等辅助设施。
4.2.6 运营管理数智化
4.2.6.1 管理体系
园区应科学建立碳管理体系,包括但不限于以下内容:
a) 园区应成立零碳创建管理机构,建立碳排放管理制度,鼓励设定零碳发展专项资金;
b) 按照国家和地方产业结构调整目录、行业准入条件和园区项目准入标准实行绿色化、低碳化招商,推进传统产业绿色低碳转型发展,大力发展战略性新兴产业,构建低碳和(近)零碳产业体系;
c) 园区宜建立适宜且可行的鼓励/限制政策,有效引导区内重点企业加大绿色低碳技术创新应用方面的投入;
d) 鼓励园区引进专业第三方机构,对园区内的企业开展全面诊断和专项诊断相结合的节能诊断,促进园区企业的节能改造和绿色低碳转型。
4.2.6.2 管理平台园区应搭建智慧能碳管理平台,提升园区能碳数据计量、监测与核算能力,建立覆盖园区各建筑各类系统的智慧能碳管理平台,实现对建筑及主要用能设备的跟踪监管。
a) 智慧能碳管理平台宜具备数据智能分析、碳排放自动量化与报告、碳资产管理以及基于设备工况和预警机制的自动调节等功能;
b) 园区应最大限度提高智能管理平台入驻企业覆盖率。
4.3 扩展要求
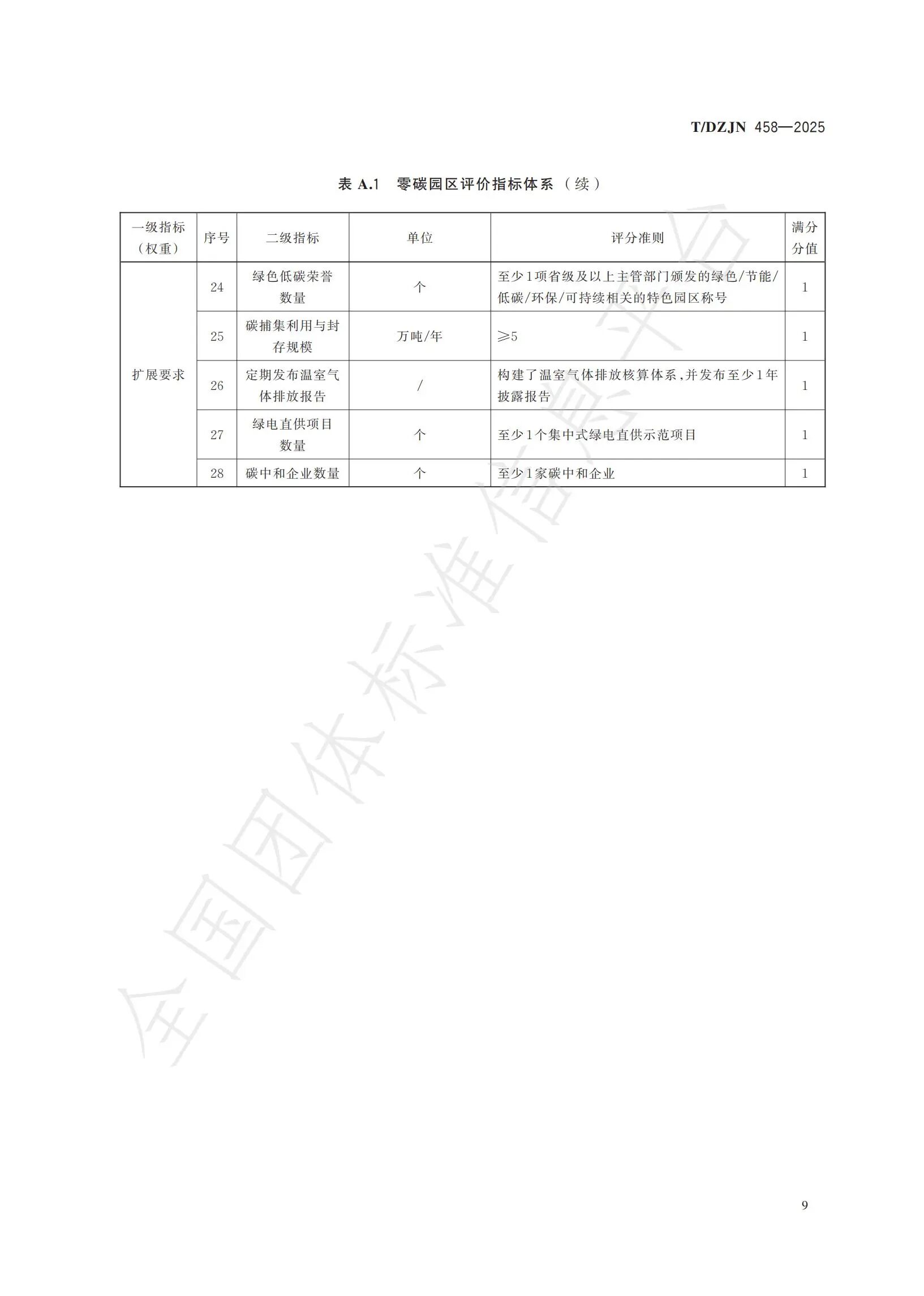
园区宜开展超出基本要求的创新性实践,本文件特设置扩展要求,具体内容如下:
——园区获得省级及以上主管部门颁发的绿色/节能/低碳/环保/可持续相关的特色园区称号(包括但不限于可持续园区、低碳园区、生态园区、循环经济园区、节水型园区等);
——园区应推动绿色低碳先进技术研发应用,着力推动碳捕集利用与封存规模(CCUS)技术应用;
——园区应定期将温室气体排放的核算结果对外公布;
——园区应合理利用所在区域及周边已建与规划建设新能源项目及区域电网资源,构建绿电可物理溯源的供电格局,有效降低园区电力碳排放因子;
——园区应引导园区内企业开展零碳(近零碳)工厂等碳中和企业认证。
5 评价要求
5.1 评价通则
5.1.1 客观独立
评价应独立于受评价的零碳园区活动,并且在任何情况下都应不带偏见,没有利益上的冲突。评价机构在整个评价过程中应保持客观性,确保评价发现和结论仅建立在所取得的证据的基础上。
5.1.2 诚实守信
在开展零碳园区评价活动时,评价人员应做到有道德、诚信、正直、保守秘密和谨慎。
5.1.3 公平公正
评价发现、评价结论和评价报告应真实和准确地反映评价活动。应报告在评价过程中遇到的重大障碍以及在评价组和受评价对象之间没有解决的分歧意见。沟通应真实、准确、客观、及时、清楚和完整。
5.1.4 专业严谨
评价应具有基于观察、知识、经验、资料和其他信息,得出有意义的、严谨准确的结论,并给予合理意见、建议,具备解释说明的能力。
5.2 评价流程
5.2.1 评价准备
5.2.1.1 园区应根据创建需求明确评价边界(可为园区整体或“园中园”),制定并实施适宜的零碳发展策略与实施方案。
5.2.1.2完成创建后,在满足评价基本要求相关条款前提下,以园区创建边界为评价边界,以前一日历年为统计期,园区自行或委托第三方机构开展零碳园区自评价。
5.2.2 文件评审
园区运营主体应选择符合相关资质要求的第三方评价机构。第三方评价机构应对提交的以下文件进行评审:
——基本要求符合性证明材料;
——零碳园区自评价报告;
——指标核算原始数据来源;
——重点支撑项目文件。
评审应识别数据薄弱环节,并据此制定针对性的现场评审计划。
5.2.3 现场评审
第三方评价机构评审组应赴园区现场,依据评审计划开展现场核查工作。现场评审完成后,应依据核查情况编制现场评审报告。
5.2.4 确定评价结果
依据本文件完成零碳园区评价后,应对评价结果进行审议,确定评价等级,并形成零碳园区评价工作总结报告。
6 评价方法
6.1 评价基本要求
6.1.1 园区评价范围可为园区整体,也可为“园中园”。以“园中园”形式,需有明确的四至边界,建设和管理由所在园区负责。
6.1.2 园区近三年未发生较大及以上生产安全和质量事故、Ⅲ级(较大)及以上突发环境污染事件。
6.1.3 园区有明确的碳减排工作体系,有专人负责组织协调和推进零碳园区创建提升和评价工作,建立健全碳排放管理和统计制度。
6.1.4 园区应制定适宜的零碳发展策略和实施方案,方案以园区整体为对象,包括产业园区中基础设施及生产生活相关系统。
6.2 评价指标
6.2.1 零碳园区评价指标体系由8项一级指标和28项二级指标两部分构成。
6.2.2 一级指标包括综合指标(权重20%)、能源供给清洁零碳化指标(权重20%)、工业生产过程清洁化(权重10%)、资源利用循环高效化(权重 10%)、绿色建筑规模化(权重 10%)、交通运输绿色化(权重10%)、运营管理数智化(权重20%)和扩展要求。
6.2.3二级指标取值准则按附录A的表A.1,指标解释见附录B。由于客观条件不具备开展相关工作的园区,可说明原因,相关指标得分以满分计。
6.3 评价量化方法
评价方法为打分法,总分由评分项得分和扩展项得分构成,共105分。
零碳园区评分项得分的计算方法如公式(1):

6.4 等级划分
根据评价得分,零碳园区评价分为5个等级。具体见表1。

附录A(规范性)
零碳园区评价指标体系


附录B(资料性)
零碳园区指标解释及计算说明









